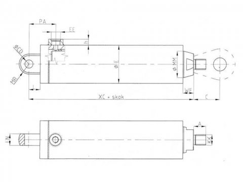
Cylinder hydrauliczny typu CNOK jest cylindrem nurnikowym jednostronnego działania przeznaczone do ogólnego stosowania w maszynach i urządzeniach.
2018-09-012018-09-01

| Dane techniczno-eksploatacyjne: | |||
| Ciśnienie pracy | MPa | 16 | 25 |
| Ciśnienie kontrolne | MPa | 24 | 37,5 |
| Ciśnienie rozruchu | MPa | max 0,5 | |
| Temperatura pracy | K | 253-353 | |
| Maksymalna prędkość nurnika | m/s | 0,5 | |
| Sprawność całkowita | ~0,95 | ||
| Czynnik roboczy (olej hydrauliczny) | lato L-HL-46 | zima L-HL-32 | |
Uszczelnienia i inne elementy typu łożyska są wykazane w Karcie Gwarancyjnej poszczególnych typów cylindrów.
